1. The body material is QT450 or WCB, and the chemical composition and mechanical properties meet the requirements of national standards. Material reports can be provided.
2. The valve body and inner parts are processed by CNC precision machine with high precision.
3. There are rubber soft seals and stainless steel hard seals available. The valve plate and other parts can also be selected according to the working conditions.
4. The valve seat is welded with stainless steel, which is more wear-resistant and has a longer service life.
5. The valve shaft is supported by self-lubricating sleeve bearings, which can reduce the friction produced during valve shaft transmission and reduce torque.
6. The world-famous brand Aksu epoxy resin spraying is used, and the spraying thickness is 250um.
7. Each valve must be tested in accordance with national standards when leaving the factory, and unqualified products will never
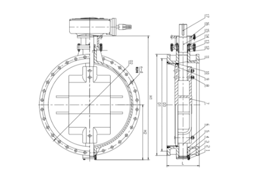
Size Range:DN100-DN3000
Pressure: PN10/16
Body Material:Ductile Iron/WCB
Seat Material:SS304+NBR
Disc Material:QT450-10
Stem Material:2Cr13







